Signal modulation
Signal modulation, or sigmod, is an advanced, experimental
render-only display feature that adds a color-coded overlay to a
rendered trace based on a derived property of that signal. The
original waveform remains visible, so sigmod acts as an extra visual
layer rather than a separate plot.
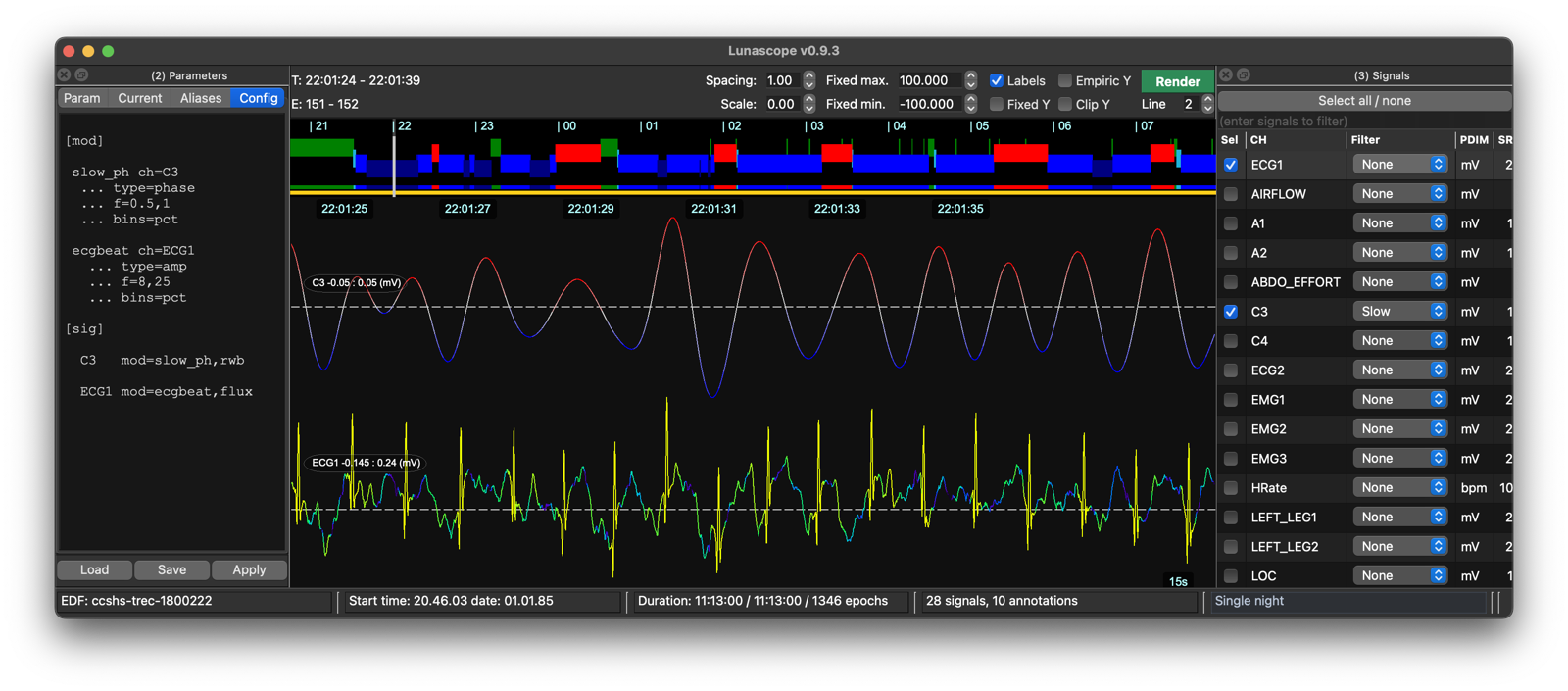
For example, here we set the top EEG trace ( which is also narrowband filtered to the 0.5 - 1 Hz range ) to reflect the phase of the same channel also filtered to the same 0.5 - 1 Hz interval, using a red-white-blue palette. Below is an ECG trace, with is colored with respect to the amplitude of that same ECG between the 8-25 Hz range, with a different pallete, effectively visually highlighting the R peaks:

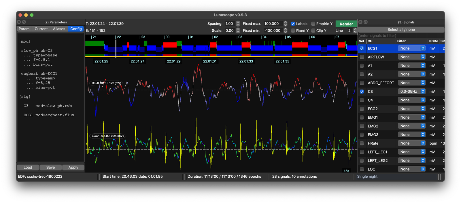
A modulation is based on one signal but can be applied to other signals, or differently filtered versions of the same singal: for example, here is the same modulation but applied to the 0.3 - 35 Hz filtered EEG trace - for example, this may provide visual indicators of spindle-slow oscillation coupling:

Because sigmod depends on rendered data, it does not appear in the
simple unrendered view. It is configured through the
Configuration file format using [mod], [pal], and
mod=... entries.
Modulation types
The current modulation types are:
-
raw: color the trace from the source signal itself -
amp: color the trace from amplitude-like information, optionally in a chosen frequency band -
phase: color the trace from phase-like information, optionally in a chosen frequency band
Why use it
Typical reasons to use sigmod are:
-
to make band-limited amplitude changes easier to spot while still viewing the original waveform
-
to visualize phase structure without replacing the trace with a separate plot
-
to highlight only the strongest modulation bins with threshold-like palettes
Configuration
The conceptual setup is:
- define one or more
[mod]entries - optionally define a custom
[pal]palette, or use a built-in palette - attach the modulation to a signal in
[sig]withmod=<mod_label>,<pal_label> - render the signal view
For the full syntax, built-in palette reference, and examples, see the Configuration page.